Seperti yang kita tahu, salah satu bagian terpenting pada bangunan adalah instalasi pipa air buangan. Maka dari itu di perlukan syarat tertentu untuk memasang pipa air buangan. Beberapa syarat instalasi pipa air buangan yaitu air mengalir harus dengan udara dan tidak diperbolehkan adanya tekanan. Agar instalasi pipa air buangan memenuhi persyaratan tersebut dengan cara menggunakan sistem venting. Sistem venting adalah perpipaan yang dipasang untuk membuat sirkulasi udara ke seluruh bagian sistem pembuangan agar terhindar dari efek sifon dan tekanan balik. Berikut beberapa jenis sistem venting konvensional yang sering di gunakan pada bangunan tinggi di Indonesia :
- Individual Vent
Sistem individual vent adalah pipa vent yang dipasang untuk melayani satu alat plambing yang di hubungkan menjadi satu pipa horizontal menuju ke pipa tegak vent.


Individual vent sistem
- Loop Vent
Sistem loop vent adalah pipa vent untuk melayani dua atau lebih alat plambing (maksimum 8 alat plambing), dipasang pada cabang mendatar pipa air buangan dan disambungkan kepada vent pipa tegak. Pipa vent tersebut dipasang pada cabang mendatar pipa air buangan di depan alat plambing yang paling jauh dari pipa tegak air buangan.


- Double Stack Vent
Sistem double stack vent adalah pipa vent yang menghubungkan ke atas dari pipa tegak air buangan menuju ke pipa tegak vent.


Double stack vent
- Single Stack Vent
Sistem single stack vent adalah pipa vent yang merupakan perpanjangan dari pipa tegak air buangan di atas cabang mendatar pipa air buangan tertinggi


Single stack vent
Keempat sistem venting di atas merupakan jenis yang konvensional. Konsekuensi dari jenis konvensional adalah jika menginginkan sistem venting dimana udara yang terlibat lebih banyak sehingga aliran air buangan lebih lancar dan efektif, maka material pipa yang digunakan akan sangat banyak. Dan sebaliknya, jika kita menghemat penggunaan material pipa maka udara yang terlibat lebih sedikit sehingga air buangan tidak terlalu lancar dan efektif. Efektifitas dan efisiensi menjadi tantangan dalam instalasi pipa air buangan dan sistem venting. Maka dari itu, Rucika menghadirkan solusi melalui produk Valsir dari Itali yaitu VBF (Ventillation Branch Fitting).
VBF (Ventillation Branch Fitting) merupakan produk hasil kerjasama antara Rucika dan Valsir dari Itali yang memiliki manfaat diantaranya :
- Pipa drainase air buangan dan sistem vent menjadi satu namun menghasilkan ventilasi yang bagus, tekanan rendah, debit yang besar dan tidak ada resiko penyumbatan.
- Secara total membuat penggunaan pipa untuk instalasi air buangan serta sistem vent akan lebih sedikit, sehingga hemat biaya dan waktu.
- Mudah dipasang, dan gangguan struktur lebih sedikit dengan fleksibilitas desain yang bagus.


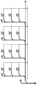
Instalasi VBF pada gedung bertingkat
VBF memungkinkan udara yang terlibat pada instalasi sistem vent lebih banyak sehingga aliran air buangan lebih lancar dan efektif, dan penggunaan material pipa menjadi lebih hemat. Hal ini menjadikan VBF merupakan salah satu solusi sebagai pengganti sistem vent konvensional. Berikut merupakan cara kerja VBF (tiga komponen utama) :
- Deviation Chamber
Berfungsi untuk mengurangi kecepatan aliran air buangan yang jatuh dari atas (down pipe).


VBF – Deviation Chamber
- Mixing Chamber
Berfungsi sebagai tempat bertemunya air yang mengalir dari atas (down pipe) dan air yang mengalir dari pipa cabang. Sehingga aliran air buangan dari pipa cabang (horizontal) tidak langsung terganggu oleh aliran air dari downpipe (vertical).


- Internal Baffle
Berfungsi untuk memastikan keseimbangan tekanan dan ventilasi yang tepat.


Tiga komponen utama di atas bekerja secara bersama-sama sehingga membuat VBF memiliki keunggulan-keunggulan yang tidak dimiliki oleh sistem vent konvensional. Secara umum VBF membuat instalasi pipa air buangan dan sistem vent lebih optimum serta menjadi lebih rendah biaya dalam pemasanganya.
WAC
0 Responses
Produk yg sangat menarik.
Kalau yg kecil khusus utk pipa buang wastafel, apa punya?